| 額定電壓 Rated Voltage |
250VAC | ||
| 工作頻率 Operating Frequency |
50/60Hz | ||
| 介質耐壓 Hipot Test Voltage |
線-線(L-L) | 1768VDC | 1分鐘 1min |
| 線-地(L-E) | 2000VAC | ||
| 氣候等級 Climatic Classification |
25/085/21 | 遵循IEC68-1標準 Per IEC68-1 standard |
| 型號 Model |
額定電流 Rated Current |
電路原理 Electrical Schematics |
最大漏電流 Max. Leakage |
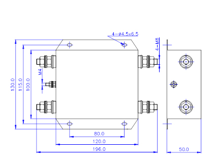
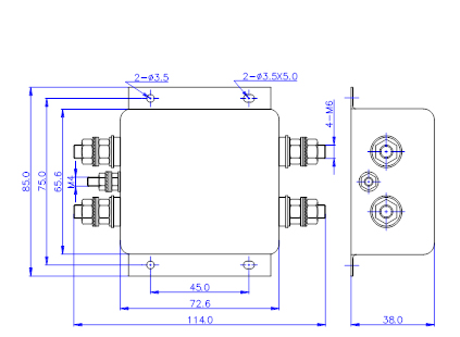
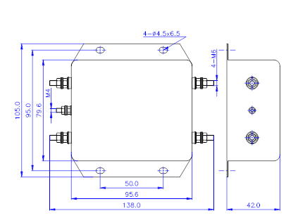
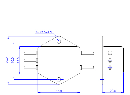
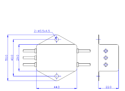
外形尺寸 Mechanical Data |
端接方式 Connections |
|
|---|---|---|---|---|---|---|
| 輸入 Input |
輸出 Output |
|||||
| S110-1DW | 1A | 參見“產品參數” | <0.3mA | 參見“產品參數” | ![]() |
![]() |
| S110-3DW | 3A | 參見“產品參數” | <0.3mA | 參見“產品參數” | ![]() |
![]() |
| S110-6DW | 6A | 參見“產品參數” | <0.3mA | 參見“產品參數” | ![]() |
![]() |
| S110-10BL | 10A | 參見“產品參數” | <0.5mA | 參見“產品參數” | ![]() |
![]() |
| S110-20BL | 20A | 參見“產品參數” | <0.5mA | 參見“產品參數” | ![]() |
![]() |
| S120-1DW | 1A | 參見“產品參數” | <0.5mA | 參見“產品參數” | ![]() |
![]() |
| S120-3DW | 3A | 參見“產品參數” | <0.5mA | 參見“產品參數” | ![]() |
![]() |
| S120-6BL | 6A | 參見“產品參數” | <0.5mA | 參見“產品參數” | ![]() |
![]() |
| S120-10BL | 10A | 參見“產品參數” | <0.5mA | 參見“產品參數” | ![]() |
![]() |
| S120-20BL | 20A | 參見“產品參數” | <0.5mA | 參見“產品參數” | ![]() |
![]() |
| S120-30CS | 30A | 參見“產品參數” | <0.5mA | 參見“產品參數” | ![]() |
![]() |
| S120-50ES | 50A | 參見“產品參數” | <0.5mA | 參見“產品參數” | ![]() |
![]() |
| S120-100GS | 100A | 參見“產品參數” | <0.5mA | 參見“產品參數” | ![]() |
![]() |






或撥打400-0160-309,立即與電磁專家探討合作細節