| 額定電壓 Rated Voltage |
250VAC/400VDC | ||
| 工作頻率 Operating Frequency |
DC~400Hz | ||
| 介質耐壓 Hipot Test Voltage |
線-線(L-L) | 1768VDC | 1分鐘 1min |
| 線-地(L-E) | 2000VAC | ||
| 氣候等級 Climatic Classification |
55/085/21 | 遵循IEC68-1標準 Per IEC68-1 standard |
| 型號 Model |
額定電流 Rated Current |
最大漏電流 Max. Leakage |
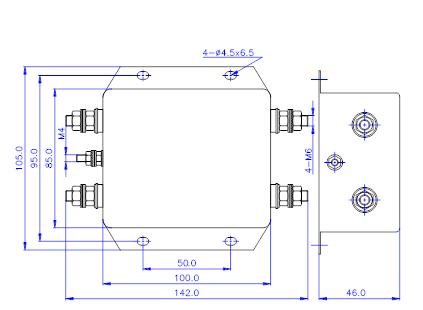
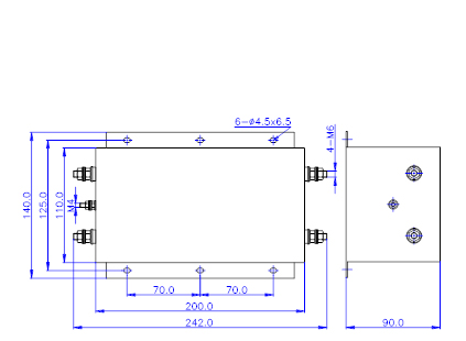
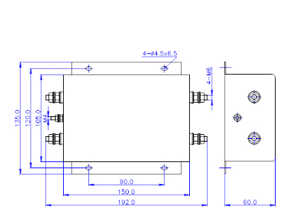
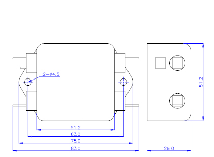
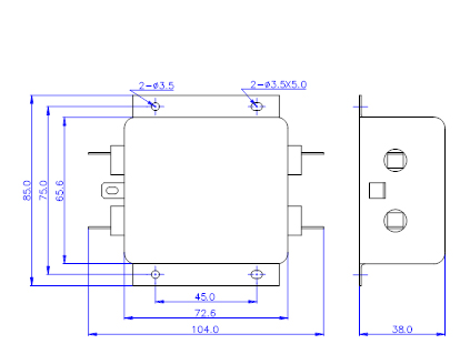
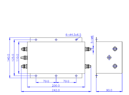
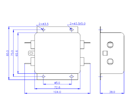
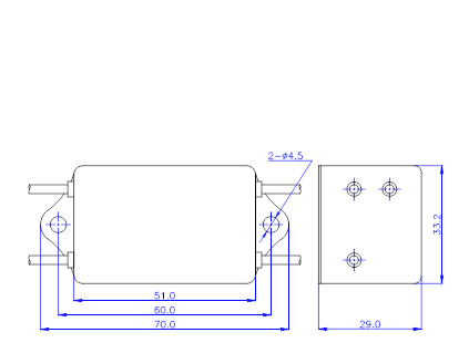
外形尺寸 Mechanical Data |
端接方式 Connections |
|
|---|---|---|---|---|---|
| 輸入 Input |
輸出 Output |
||||
| MS10-1AW | 1A | <0.5mA | 參見“產品參數” | ![]() |
![]() |
| MS10-2AW | 2A | <0.5mA | 參見“產品參數” | ![]() |
![]() |
| MS10-2BL | 2A | <0.5mA | 參見“產品參數” | ![]() |
![]() |
| MS10-3AW | 3A | <0.5mA | 參見“產品參數” | ![]() |
![]() |
| MS10-3CL | 3A | <0.5mA | 參見“產品參數” | ![]() |
![]() |
| MS10-3HL | 3A | <0.5mA | 參見“產品參數” | ![]() |
![]() |
| MS10-6HL | 6A | <0.5mA | 參見“產品參數” | ![]() |
![]() |
| MS10-6CL | 6A | <0.5mA | 參見“產品參數” | ![]() |
![]() |
| MS10-10HL | 10A | <0.5mA | 參見“產品參數” | ![]() |
![]() |
| MS10-10ES | 10A | <0.5mA | 參見“產品參數” | ![]() |
![]() |
| MS10-20ES | 20A | <0.5mA | 參見“產品參數” | ![]() |
![]() |
| MS10-20FS | 20A | <0.8mA | 參見“產品參數” | ![]() |
![]() |
| MS10-30JS | 30A | <0.8mA | 參見“產品參數” | ![]() |
![]() |
| MS10-50JS | 50A | <1.0mA | 參見“產品參數” | ![]() |
![]() |





或撥打400-0160-309,立即與電磁專家探討合作細節