| 額定電壓 Rated Voltage |
250VAC | ||
| 工作頻率 Operating Frequency |
50/60Hz | ||
| 介質耐壓 Hipot Test Voltage |
線-線(L-L) | 1768VDC | 1分鐘 1min |
| 線-地(L-E) | 2000VAC | ||
| 氣候等級 Climatic Classification |
25/085/21 | 遵循IEC68-1標準 Per IEC68-1 standard |
| 型號 Model |
額定電流 Rated Current |
電路原理 Electrical Schematics |
最大漏電流 Max. Leakage |
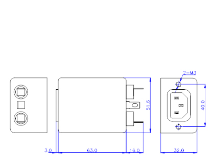
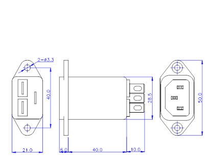
外形尺寸 Mechanical Data |
端接方式 Connections |
|
|---|---|---|---|---|---|---|
| 輸入 Input |
輸出 Output |
|||||
| I110-3IL | 3A | 參見“產品參數” | <0.3mA | 參見“產品參數” | IEC320 | ![]() |
| I110-6IL | 6A | 參見“產品參數” | <0.3mA | 參見“產品參數” | IEC320 | ![]() |
| I110-10IL | 10A | 參見“產品參數” | <0.3mA | 參見“產品參數” | IEC320 | ![]() |
| I310-3HL | 3A | 參見“產品參數” | <0.4mA | 參見“產品參數” | IEC320 | ![]() |
| I310-6HL | 6A | 參見“產品參數” | <0.4mA | 參見“產品參數” | IEC320 | ![]() |
| I310-10HL | 10A | 參見“產品參數” | <0.4mA | 參見“產品參數” | IEC320 | ![]() |






或撥打400-0160-309,立即與電磁專家探討合作細節